|
 |
| ±¸Á¶¿Í
Ư¡ |
³ÊÆ®(Nut)
½Â°Çü ÀèÀÇ
±¸Á¶¿Í Ư¡ |
| Ç¥ÁØ»ç¾ç |
| Çã¿ëÁ±¼ÇÏÁß |
½Â°ÇÏÁß/½Â°¼Óµµ
°ü·Ã±×·¡ÇÁ |
| Çã¿ëȾÇÏÁß |
|
|
 |
|
|
|
|
|
 |
 |
Home |
 |
Á¦Ç°¼Ò°³ |
 |
½ºÅ©·ù Àè |
 |
½ºÅ©·ù Àè Ä©¼öÇ¥ |
 |
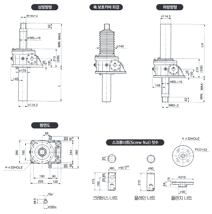
Ãà½Â°Çü MJ95 |
|
Ãà½Â°Çü
MJ32 |
Ãà½Â°Çü
MJ44 |
Ãà½Â°Çü
MJ56 |
Ãà½Â°Çü
MJ66 |
Ãà½Â°Çü
MJ67 |
Ãà½Â°Çü
MJ73 |
Ãà½Â°Çü
MJ95 |
Ãà½Â°Çü
MJ135 |
³ÊÆ®½Â°Çü
MJT32 |
³ÊÆ®½Â°Çü
MJT44 |
³ÊÆ®½Â°Çü
MJT56 |
³ÊÆ®½Â°Çü
MJT66 |
³ÊÆ®½Â°Çü
MJT67 |
³ÊÆ®½Â°Çü
MJT73 |
³ÊÆ®½Â°Çü
MJT95 |
Ãà½Â°Çü
MJ155 |
 |
Ãà½Â°Çü MJ95 |
|
|
 |
| Çà
Á¤ |
U
»ó ¹æ Çâ Çü |
I
ÇÏ ¹æ Çâ Çü |
| NȸÀü¹æÁöŰ
¾øÀ½ |
KȸÀü¹æÁöŰ
ÀÖÀ½ |
NȸÀü¹æÁöŰ
¾øÀ½ |
KȸÀü¹æÁöŰ
ÀÖÀ½ |
| NÃຸȣ
Ä«¹Ù¾øÀ½ |
BÃຸȣ
Ä«¹ÙºÎÂø |
NÃຸȣ
Ä«¹Ù¾øÀ½ |
BÃຸȣ
Ä«¹ÙºÎÂø |
NÃຸȣ
Ä«¹Ù¾øÀ½ |
BÃຸȣ
Ä«¹ÙºÎÂø |
NÃຸȣ
Ä«¹Ù¾øÀ½ |
BÃຸȣ
Ä«¹ÙºÎÂø |
| MIN. |
MAX. |
L |
MIN. |
MAX. |
L |
MIN. |
MAX. |
L |
MIN. |
MAX. |
L |
MIN. |
MAX. |
LH |
MIN. |
MAX. |
LH |
MIN. |
MAX. |
LH |
MIN. |
MAX. |
LH |
| 100 |
280 |
380 |
175 |
335 |
435 |
175 |
410 |
510 |
175 |
465 |
565 |
175 |
70 |
170 |
385 |
125 |
225 |
385 |
70 |
170 |
514 |
125 |
225 |
514 |
| 200 |
280 |
480 |
275 |
335 |
535 |
275 |
410 |
610 |
275 |
465 |
665 |
275 |
70 |
270 |
485 |
125 |
325 |
485 |
70 |
270 |
614 |
125 |
325 |
614 |
| 300 |
280 |
580 |
375 |
370 |
670 |
375 |
410 |
710 |
375 |
500 |
800 |
375 |
70 |
370 |
585 |
160 |
460 |
585 |
70 |
370 |
714 |
160 |
460 |
714 |
| 400 |
280 |
680 |
475 |
370 |
770 |
475 |
410 |
810 |
475 |
500 |
900 |
475 |
70 |
470 |
685 |
160 |
560 |
685 |
70 |
470 |
814 |
160 |
560 |
814 |
| 500 |
280 |
780 |
575 |
370 |
870 |
575 |
410 |
910 |
575 |
500 |
1000 |
575 |
70 |
570 |
785 |
160 |
660 |
785 |
70 |
570 |
914 |
160 |
660 |
914 |
| 600 |
280 |
880 |
675 |
410 |
1010 |
875 |
410 |
1010 |
675 |
540 |
1140 |
675 |
70 |
670 |
885 |
200 |
800 |
885 |
70 |
670 |
1014 |
200 |
800 |
1014 |
| 800 |
280 |
1080 |
875 |
410 |
1210 |
1075 |
410 |
1210 |
875 |
540 |
1340 |
875 |
70 |
870 |
1085 |
200 |
1000 |
1085 |
70 |
870 |
1214 |
200 |
1000 |
1214 |
|